分类
贴片压电式蜂鸣器通常由一个陶瓷片、一个电极和一个扬声器组成。当陶瓷片受到外力作用时,它的晶格结构会发生变化,导致表面电荷分布不对称,产生电场,进而产生声波。贴片压电式蜂鸣器的声音较小,但持续时间较短,通常用于发出短暂的提示音。
贴片压电式蜂鸣器是一种非接触式的声音信号发生器,它利用振荡电路不断发出高压电信号,通过磁铁产生振动,从而发出不嘟嘟的声音。
贴片压电式蜂鸣器特征:
1、贴片压电式蜂鸣器的尺寸更小,容易安装在芯片上,可用于紧凑型设备。
2、贴片压电式蜂鸣器不需要外部供电,可以取得更高的持续噪音效果。
3、 贴片压电式蜂鸣器比压电式蜂鸣器更安静,对环境造成的噪音污染更小。
4、 贴片压电式蜂鸣器具有比压电式蜂鸣器长更长的使用寿命,不需要定期维护保养。
贴片压电式蜂鸣器具体应用:
1、贴片压电式蜂鸣器常用来用于电脑的报警装置,可以提醒用户处理重要问题。
2、它还可以用于电话、MP3、电脑等多媒体设备,用于提示电话联系者、播放音乐等提示信息。
3、 在工业应用中,贴片压电式蜂鸣器常用来提示机器正在工作,或者作为防止机器出现意外情况的报警装置。
规格参数: | |
额定电压 (Vo-p) | 5.0 |
工作电压 (Vo-p) | 2~25 |
额定电流 (mA) | MAX.3.0 |
声音输出在10cm (dBA) | MIN.75 |
电容在1KHz (pF) | 16000 ± 30% |
共振频率 (Hz) | 4100 |
工作温度 (℃) | -30~+70 |
储存温度 (℃) | -40~+80 |
外壳材料 | LCP |
重量 (g) | 0.5 |
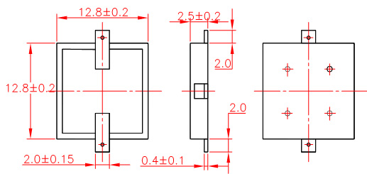
尺寸图:
