分类
压电式报警器是一种利用压电陶瓷材料的特性来检测和报警的设备。压电式报警器的的核心部件是压电陶瓷片。压电陶瓷片具有压电效应,即在受到外力作用时会产生电荷分布不对称的现象。当压电陶瓷片受到外力作用时,它的晶格结构会发生变化,导致陶瓷材料中的电子运动状态发生改变,产生电荷分布不对称的现象。
压电式报警器通常由压电陶瓷片、感应线圈、控制器和电源等部件组成。当压电陶瓷片受到外力作用时,它的电荷分布不对称量发生变化,产生微弱的电信号。这个微弱的电信号可以被感应线圈检测到,并通过控制器进行放大和处理然后输出报警信号。
压电式报警器广泛应用于许多领域,如安防、消防、工业自动化等。它的优点包括响应速度快、检测精度高、抗干扰能力强等。
常州声惠电子有限公司生产的压电式报警器具有以下特点:
响应速度快:压电式报警器的响应速度非常快,可以在极短的时间内检测到外力作用的变化,从而实现快速的报警。
检测精度高:压电式报警器的检测精度较高,能够准确地检测到外力作用的变化,从而实现精确的报警。
抗干扰能力强:压电式报警器的抗干扰能力比较强,能够抵御多种干扰信号的影响,从而实现可靠的报警。
可编程性强:压电式报警器可以通过编程实现多种报警方式和报警触发条件,从而实现更加灵活的报警策略。
功耗低:压电式报警器的功耗较低,可以在长时间使用过程中节省能源,降低使用成本。
规格参数: | |
额定电压 (VDC) | 12.0 |
工作电压 (VDC) | 6~15 |
额定电流 (mA) | MAX.250 |
声音输出在100cm (dBA) | 115±3 |
工作温度 (℃) | -20~+60 |
储存温度 (℃) | -30~+70 |
外壳材料 | ABS |
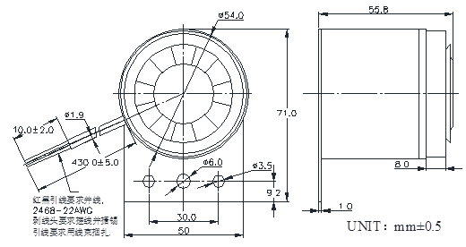
尺寸图:
